16 Mar,2026
Gear vs. vinge vs. stempel: Hvilken industriel hydraulisk pumpe tilbyder den bedste effektivitet?






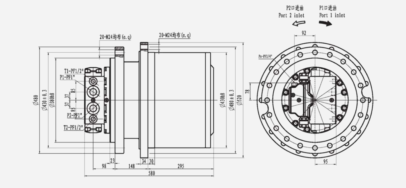
| Maks. Udgangsmoment | Maks. Total forskydning | Maks. Motorisk forskydning | Gearforhold | Maks. Hastighed | Maks. Forhold | Maks. Flyde | Maks. Tryk | Masse | Gældende køretøjsmasse |
| N.m | ml/omdr | ml/omdr | rpm | Høj/Lav | L/min | MPa | Kg | Ton | |
| 80000 | 31814.6 | 171.6 | 76,7·99 | 2500 | Maks. 2 | 250 | 35 | 435 | 35-50 |
| 171.6/1113 |
Produkter leveret af berømte virksomheder er dybt betroede af brugerne.
Års brancheerfaring
Fabriksområdet
Dygtige medarbejdere
Avanceret produktionslinje
INI Hydraulic Co., Ltd. Vi har specialiseret os i design og fremstilling af hydrauliske spil, hydrauliske motorer og planetgearkasser i mere end tyve år. Vi er en af de professionelle byggemaskiner tilbehør leverandører i Asien. Tilpasning til at optimere kundernes geniale udstyrsdesign er vores måde at holde sig i live robust på på markedet. I løbet af 26 år har vi udviklet en bred vifte af produktlinjer baseret på vores selvudviklede teknologier. Det brede sortiment af produkter, der hver især er tæt sammenhængende, indeholder hydrauliske og elektriske spil, planetgearkasser, drejedrev, transmissionsdrev, hydraulikmotorer, pumper og hydrauliksystemer.
Pålideligheden af vores produkter er blevet stærkt bevist i forskellige applikationer, herunder ikke begrænsning af industrimaskiner, entreprenørmaskiner, skibs- og dæksmaskineri, off-shore udstyr, minedrift og metallurgisk maskineri.
Desuden er vores produktkvalitet blevet godkendt af flere verdensomspændende anerkendte certifikatorganer. Certificeringerne, som vores produkter har opnået, omfatter EC-Typeundersøgelsescertifikat, BV MODE, DNV GL-certifikat, EC-overensstemmelsesattest, certifikat for typegodkendelse for marineprodukter og Lloyd's Register Quality Assurance. Hidtil har vi udover Kina, vores hjemmemarked, i vid udstrækning eksporteret vores produkter til USA, Tyskland, Holland, Australien, Rusland, Tyrkiet, Singapore, Japan, Sydkorea, Malaysia, Vietnam, Indien og Iran. Vores logistik og eftersalgsservice dækker hele verden hurtigt og pålideligt for vores kunders dybe interesser.
16 Mar,2026
09 Mar,2026
02 Mar,2026
23 Feb,2026
16 Feb,2026
09 Feb,2026
02 Feb,2026
TOP